


“從設計角度分析鋼結構住宅體系的特點,介紹異型鋼柱住宅項目的設計思路。針對框架結構采用不同阻尼比、基礎方案等問題進行數據對比分析;總結設計中常見問題注意事項;對設計標準提出不同意見。”
一、鋼結構住宅體系選擇
從已建成的鋼結構住宅來看,主要有:
1)薄壁型鋼組合墻板形式;
2)純框架形式;
3)框架支撐形式;
4)型鋼混凝土組合形式;
5)鋼框架-混凝土抗震墻形式等等。
這些結構形式各有特點,其中薄壁型鋼組合墻板形式特別適宜定型產品,其體系是從墻板結構演變而來,即將薄壁型鋼柱構件按大約 600mm 的間距布置形成豎向承重結構、型鋼間設支撐系統以抵抗水平力,樓板根據豎向型鋼的位置布置成密肋支撐結構,因上部結構為類墻板結構,其基礎根據受力情況設成條形基礎,對地基要求不高。薄壁型鋼組合墻板住宅受密布結構的影響,對開間、門窗洞口、挑出構件尺寸均有一定限制。后面幾種形式可以滿足多高層住宅設計要求,但從使用的角度都存在一個共同問題,即梁柱突出對住宅內部觀感的影響。
住宅相對于其它建筑有其特殊性,辦公、廠房可以采用較為固定柱網,層高也較高,其梁柱所占空間給人的感觀是適宜的,柱網規則有利于梁的布置。相反住宅是一個變化多端的產品,根據建筑的要求,很少布置出規則的柱網,房內開間相對較小、變化較多,不利于鋼框架布置。由于鋼材的特點,它在住宅中只能形成框架體系或桁架體系,可以說框架體系如果適用于普通住宅,鋼框架必然有其大顯身手的地方,普通框架結構不能解決住宅應用問題的話,常規鋼框架體系在普通住宅中應用也有相似的弱點。
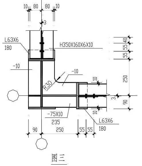
受短肢剪力墻結構的啟發,筆者在鋼結構住宅設計中將鋼柱設計成異型柱形式,以配合建筑變化的要求,圖1 是兩種異型鋼柱截面,根據建筑墻體厚度減去面層厚度來設定翼緣寬度,框架梁與異型鋼柱各個方向的翼緣剛接,圖2 為相應的節點連接詳圖。
某住宅項目三層樣板間設計成異型鋼柱純框架結構,建筑采用砌塊隔墻,建成后外部及室內觀感均令人滿意,與該住宅成品(混凝土剪力墻結構)實際效果一致,下圖是樣板間實景。
在工業廠房設計中經常采用異型鋼柱,采用排架受力體系時,異型鋼柱經常設計成雙軸對稱或主受力方向單軸對稱,廠房縱向采用支撐系統抵抗縱向水平力,系桿、支撐構件多連接于異型柱弱軸形心軸上,這樣在結構概念設計及采用桿系軟件計算容易處理。住宅中應用異型鋼柱與廠房設計還是有很大區別的,下圖是廠房梁柱連接方式與住宅梁柱連接方式的簡單比較,
可以看出在住宅中,梁柱的截面形心軸不在同一位置上,不符合常規設計理念,在采用桿系軟件計算時無法解決偏軸問題。盡管如此,與短肢剪力墻結構相比,筆者認為異型柱是在原來較大的矩形框架柱截面或整片混凝土墻修改為的截面面積較小的異型截面,相應地也減少了截面特性,而異型鋼柱是在一個工字鋼截面上增加一個T型截面,相應地是增加了弱軸方向的截面特性,特別是將鋼梁與鋼柱弱軸的剛性連接節點轉化為與柱翼緣連接,優于常見設計中工字鋼柱在弱軸方向設外伸連接板的剛性連接,加強了工字鋼柱弱軸穩定,對結構安全是很有利的。
一般認為工字鋼柱弱軸剛性連接不可靠,所以在很多構造手冊上建議在弱軸采用鉸接框架加支撐體系或者采用鋼管柱設計方案,抗震規范“柱在兩個互相垂直的方向都與梁剛接時,宜采用箱形截面。當僅在一個方向剛接時,宜采用工字形截面,并將柱腹板置于剛接框架平面內。”規范中雖然沒有明確說不可采用工字鋼柱弱軸與鋼梁剛接,但根據抗震規范節點抗震承載力驗算要求,弱軸連接一般是無法滿足相關條款要求的。異型工字鋼柱相比箱形柱的節點加工容易、施工方便節約鋼材,相比框架支撐體系減少了支撐部分的設置,從應用角度可靈活用于住宅墻體中,滿足建筑師對住宅內無外露結構構件的要求。
筆者認為異型鋼柱在結構分析中存在以下問題:
1)異型鋼柱全截面受力情況分析,這里主要指在弱軸上增加 T 型構件,是否就相應的增加了這部分的截面特性,包括 T 型構件偏軸遠近的影響,筆者認為鋼柱類型不同,截面特性增加比例也會不同;
2)異型鋼柱局部穩定性計算,這點可以參考規范中柱板件寬厚比進行控制;
3)梁柱節點與鋼柱形心軸偏離時整體受力分析,采用普通桿系計算軟件是不能解決這個問題的。理想的計算模型應該采用有限元整體建模方式進行內力分析, 可以解決上述問題,但建模工作量太大了。
筆者在設計中根據以下幾個原則來確定柱截面:
1)按方鋼管柱方案進行結構分析,根據計算應力比結果接近 0.9 的情況,選定框架梁截面尺寸,根據方鋼管截面特性初選 X,Y 方向上工字鋼截面,計算時不考慮腹板作用,初步確定異型柱截面;
2)按工字鋼柱方案進行結構分析,異型柱 T 型構件布置方向,設柔性支撐代替異型柱中 T 型構件在工字鋼弱軸上的剛度影響,按有側移鋼框架計算,調整異型鋼柱中工字鋼截面尺寸;完成后調整工字鋼及柔性支撐布置方向,驗算 T 型構件與工字鋼腹板組成的工字鋼截面尺寸;
3)根據上一步建立的模型,選取工字鋼強軸所在的單榀框架進行抗震驗算,只參考工字柱強軸應力計算結果,檢驗異型柱單向受力是否滿足;
4)根據上述計算結果,手工核算梁柱節點處抗震承載能力,基礎設計時考慮偏軸引起的附加彎矩;
5)以普通工字鋼柱和方鋼管柱按無支撐框架體系分別進行正常設計,其中鋼梁按設計所選截面計算,根據合適的計算結果,統計鋼柱用鋼量以控制異型柱用鋼量的上下限。
上述方法沒有可依據的計算公式及條文,對偏軸引起的附加彎矩對整體的影響沒有更多處理,這也是筆者只在二三層住宅設計中應用,沒在更高的工程里使用異型鋼柱的原因。筆者提出異型鋼框架方案,希望得到大家的批評指正。
二、設計細節的問題
1、整體計算時選取合適的結構阻尼比根據抗震規范要求,除專門規定外,建筑結構的阻尼比應取0.05,當阻尼比不等于0.05時,地震影響系數曲線應進行修正
2、剛接柱腳設計
常見柱腳分埋入式、外包式、外露式。
在住宅設計中多采用外露式,相比其它兩種方式,其現場安裝、定位方便。在設計時應注意,柱腳的剛度是靠底板的彈性變形或塑性變形來實現的,這就意味著整個結構變形包括鋼結構本身變形及底板受拉變形后引起的整體變形,如在分析內力時視外露式為剛性柱腳,設計中要考慮層間位移角限值要有一定的富裕,同時應考慮底層鋼柱彎矩反彎點下移引起的柱頂彎矩增大。
根據節點設計要求,為保證罕遇地震時不發生柱腳節點先于鋼柱破壞,柱腳節點連接處的極限抗彎承載能力應大于 1.2 倍鋼柱的全塑性受彎承載力才可以,常見設計方法是根據柱腳反力來確定柱腳螺栓直徑、連接焊縫,這樣只能保證柱腳節點在多遇地震作用下具有一定強度而不破壞,而柱腳彎矩設計值所需截面抵抗模量一般小于鋼柱本身截面抵抗模量(Wx),以H628X260X10X14 工字鋼為例,1.2·Wpnx/Wx=1.36 倍,外露式很難保證這項設計要求。而采用其它兩種柱腳方式在轉遞鋼柱內力時很容易滿足前項要求,設計中傳力明確、計算容易、構造簡單、節省鋼材。
插入式柱腳構造相比埋入式更簡單,大部分書籍認為可靠性不如埋入式,建議用于單層鋼結構廠房,不適合高層建筑鋼結構。筆者認為在多層建筑鋼結構可以采用,因為在許多工業項目中,單層廠房層高多在 10~30m,廠房內設多臺吊車及大量檢修平臺,單柱荷載及地震作用往往大于普通住宅的情況,多層住宅柱腳在概念設計和計算設計都滿足規范要求的情況下,采用插入式是沒有問題的。新鋼結構規范也增加了插入式柱腳的設計和構造規定。
3、樓板設計
樓板有預制樓板、現澆樓板、組合樓板等。
采用預制樓板時應考慮預制板由于溫度變化、荷載分布等原因,造成樓板接縫處開裂形成的單側翼緣附加彎矩影響,即鋼梁平面內整體抗彎應力與翼緣平面外抗彎應力雙向組合后要滿足折算應力限值,有些項目將樓板擱置在下翼緣上尤其要注意這個問題。
壓型鋼板組合樓蓋在鋼結構住宅中應用很多,整體分析時要考慮組合板的各向異性對框架梁的影響,包括根據樓板設置情況確定連續板或簡支板、傳力路徑是單向還是雙向、組合鋼梁是按強邊還是弱邊組合造成的剛度差異;
樓板設計時要避免集中單向布置樓板,使結構體系形成橫向或縱向承重,做到合理布置組合樓板,盡量形成雙向承重結構。
4、梁柱剛性連接設計
梁柱間剛性連接計算可按常用設計法或全截面受彎設計法進行,當鋼梁翼緣的抗彎承載力大于整個截面承載力的 70%時,可采用常用設計法進行設計,小于 70%時,應采用全截面抗彎設計法,在住宅設計中,鋼梁多屬于前者,常用設計法計算原則為翼緣和腹板分別承擔彎矩和剪力,普遍認為計算容易,結果偏于安全。事實上根據多高層房屋鋼結構梁柱剛性連接節點的抗震設計和多高層房屋鋼結構梁柱剛性節點的設計,不做任何處理的將鋼梁與鋼柱進行栓焊等強連接是很難達到強節點弱桿件的設計要求,對加強式節點設計有設計及構造詳細說明,具體做法主要有三種方式:梁端翼緣加焊楔形蓋板、梁端底部加腋、犬骨式連接。通過筆者在實際應用后認為,三者都存在增加施工難度的問題。第四種方式:梁端翼緣加寬方式,但在標準圖集中不作為主推形式介紹,當建筑對梁寬沒有要求的情況下,這種連接方式最為實用、便捷。
三、設計標準的問題
1.“輕型”鋼結構概念問題
近年來因“輕型門式剛架房屋”二字的出現,在許多設計人包括結構設計人員的頭腦中形成一種輕(質量)鋼材概念,一遇到附屬建筑設施或看似不重要的結構時就提出用“輕鋼”來解決,卻不注重該部分對主體結構的效應分析,事實上結構概念設計時應清楚,“輕型”實際上是指結構承受相對較輕的荷載,住宅設計中不會因為采用鋼結構而減少荷載使用標準,結構體系無論采用鋼還是混凝土,構件效應分析是沒有原則上區別的。
2.多高層鋼結構設計區別
根據規范有關條文,包括鋼結構抗震調整系數,框架柱長細比,框架構件寬厚比等控制條款,均以 12 層作為區分點,因此可以理解為高層鋼結構是指 12 層以上的建筑物。高規中高層是指 10 層及 10 層以上或房屋高度超過 28m 的建筑,這其中包括混合結構,再參考國外部分國家高層起始高度多設在 25~30 米或 8 至 11 層。由此看來我國的多層鋼結構適用范圍要高于普通結構,也高于國外標準。多高層鋼結構不僅構造不同,相關抗震調系數也不同,限值差別太大,在前面表 1 已說明,筆者認為此區分過于寬泛,舉例說明一下:層高平均 4m,12 層建筑物高度 48米,是高規中 28 米限值的 1.7 倍,這就產生下面的問題,在混合結構中,混凝土結構應按高規構造設計,鋼結構可以按多層構造設計,執行了兩種標準。
3、《鋼結構設計規范》
對住宅結構設計指導作用不大新版規范延續了工業建筑鋼結構設計指導思想,例如在變形允許值按廠房構件進行分類,對民用建筑構件不做細分;溫度區段設置要求以排架結構方式進行劃分而不考慮縱橫向承重體系、鋼混組合結構的特點來區分,特別是強制性條文第 8.1.4 條“結構應根據其形式、組成和荷載的不同情況,設置可靠的支撐系統。在建筑物的每一個溫度區段或分區建設的區端中,應分別設置獨立的空間穩定的支撐系統。”從文字上理解,鋼結構不應該采用無支撐的純框架結構,這顯然與實際應用不符,設置支撐與否應以結構設計需要來確定,根據條文說明也可以知道這是一個原則規定,但作為強制性條文,必須嚴格執行值得商榷,民用建筑在使用要求上不同于工業建筑,包括一些結構體系也存在差異,應區別對待。
相比其他規范不斷完善抗震部分內容,新版只在總則中提到應符合相關抗震規范的規定,似乎抗震設計在鋼結構中并不重要,實際上在北嶺和阪神地震后,國外開始紛紛重視鋼結構抗震設計的研究,國內也有很多文章介紹,應該有很多成果可以總結成文的。我國抗震規范規定應根據抗震設防烈度采取不同的抗震措施,而鋼結構抗震要求卻沒有任何區別也是不妥的。
四、設計鋼結構住宅應尊重住宅使用的根本要求
鋼結構住宅是今后發展的一個重要方向,但鋼結構僅僅是建筑中承重體系、服務部分,它不是建筑使用中的主要成分,鋼結構住宅設計首先要遵循住宅建筑設計的一般原則,然后才是發揮鋼結構的優勢,單純突出鋼結構而不考慮生活的舒適性、不能滿足人文要求的鋼結構住宅項目是沒有市場的。對于鋼結構住宅不能因為要推廣鋼材在建筑中的應用而簡單、強行在住宅結構中使用,這樣作對推廣鋼結構住宅沒有實際意義。
相對而言公建、體育場館、工業廠房等是鋼結構在建筑中最能發揮其特長的領域,近年來,我們已經深刻感覺到這種應用變化。